Ampermetre

 Alıcının çektiği akımı ölçer birimi Amperdir ( A ) ile gösterilir ( I ) ile ifade edilir. Analog ve dijital olmak üzere iki çeşit ampermetre vardır bunlar DC ve AC anolg olarak farklı akımları ölçe bilirler.

Ölçü aleti yerine matematiksel işlemlerle de akım hesabı yapıla bilir. Buna göre I=U/R formülü ile hesaplanır.

Örnek: Bir ısıtıcı 220 voltla çalışmaktadır direnci ise 100ohm ise buna göre çektiği akım değeri nedir?

I=U/R

U=220/100=2,2

Buna göre çektiği akım 2,2amperdir

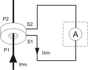
Analog ampermetre normal bağlantı:

Analog ampermetre akım trafolu bağlantı:Ampermetreler devreye seri bağlanır. Fakat akım trafosu ile akım ölçülecek ise bu sefer akım trafosuna paralel bağlanır.


Video:



Pano tipi mini Analog amper metre: Pano tipi troidal akım trafolu bir ampermetredir AC 100ampere kadar akımları ölçer ve AC 220volt beslemesi yapılır.

Video:


DC mini ampermetre: DC5-30volt besleme gerilimi DC 10Amper akım ölçer devreye seri bağlanır.




Video: